Tracking Cookies

Om onze website nóg makkelijker en persoonlijker te maken zetten we cookies (en vergelijkbare technieken) in. Met deze cookies kunnen wij en derde partijen informatie over jou verzamelen en jouw internetgedrag binnen (en mogelijk ook buiten) onze website volgen.

Als je hier mee akkoord gaat plaatsen we deze trackingcookies.

Ja, ik geef toestemmingNee bedankt
https://www.sinatec-industries.com/nl/iso-10642-8-8-vk-schroef-met-bzk-verzinkt-m5x20-500/a51362?c=9444
Zoek een artikel (naam, artikelnr, EAN, OE, etc.)
Hulp bij uw product nodig? +31 (0) 162 238 820
Winkelmandje
Categorieën
Vorig artikel Toon lijst Volgend artikel
https://www.sinatec-industries.com/nl/iso-10642-8-8-vk-schroef-met-bzk-verzinkt-m5x20-500/a51362

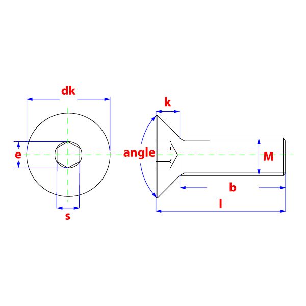
ISO 10642 8.8 VK-SCHROEF MET BZK VERZINKT M5X20 (500)

Artikelnummer 17470050020
 
Artikelnummer 17470050020
EAN-nummer 8718953304817
MateriaalsoortStaal
Klasse8.8 (grade 5)
Oppervlakte bedekkingelectrolytisch verzinkt
Aansluitingbzk
Kopsoortverzonken kop
Diameter metrisch5
Lengte20