| Vorig artikel | Toon lijst | Volgend artikel | 
ISO 7380-1 RVS A2 LBK TORX SECURITY M3X10 TX10 (100)
Artikelnummer 61037030010
      
      
      
      
  	Gekoppeld aan
ISO 7380-1 RVS A2 LBK TORX SECURITY M3X10 TX10 (100)
Artikelnummer 61037030010
    EAN-nummer  4043377131478
                      Materiaalsoortroestvaststaal
KlasseA2 (304)
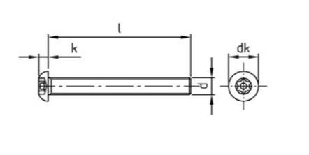
Aansluitingtx pin
Kopsoortlaagbolkop
Diameter metrisch3
Lengte10





 
      