| Vorig artikel | Toon lijst | Volgend artikel | 
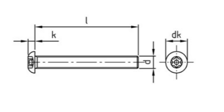
ISO 7380-1 RVS A2 LBK TORX SECURITY M3X16 TX10 (100)
Artikelnummer 61037030016
      
      
      
      
  	Gekoppeld aan
ISO 7380-1 RVS A2 LBK TORX SECURITY M3X16 TX10 (100)
Artikelnummer 61037030016
    EAN-nummer  4043377131515
                      Materiaalsoortroestvaststaal
KlasseA2 (304)
Aansluitingtx pin
Kopsoortlaagbolkop
Diameter metrisch3
Lengte16





 
      