| Vorig artikel | Toon lijst | Volgend artikel | 
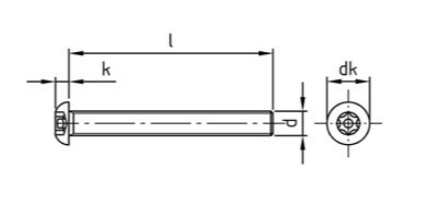
ISO 7380-1 RVS A2 LBK TORX SECURITY M4X30 TX20 (100)
Artikelnummer 61037040030
      
      
      
      
  	Gekoppeld aan
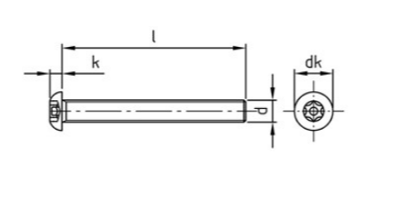
ISO 7380-1 RVS A2 LBK TORX SECURITY M4X30 TX20 (100)
Artikelnummer 61037040030
    EAN-nummer  8718953477795
                      Materiaalsoortroestvaststaal
KlasseA2 (304)
Aansluitingtx pin
Kopsoortlaagbolkop
Diameter metrisch4
Lengte30





 
      