| Vorig artikel | Toon lijst | Volgend artikel | 
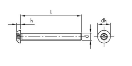
ISO 7380-1 RVS A2 LBK TORX SECURITY M4X35 TX20 (100)
Artikelnummer 61037040035
      
      
      
      
  	Gekoppeld aan
ISO 7380-1 RVS A2 LBK TORX SECURITY M4X35 TX20 (100)
Artikelnummer 61037040035
    EAN-nummer  4043377280176
                      Materiaalsoortroestvaststaal
KlasseA2 (304)
Aansluitingtx pin
Kopsoortlaagbolkop
Diameter metrisch4
Lengte35





 
      