| Previous article | Show list | Next article |
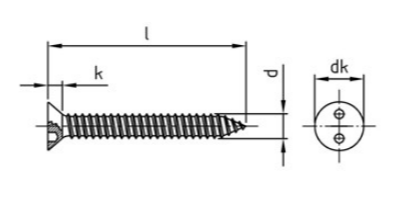
DIN 7982 RVS A2 VK-PLAATSCHROEF SECURITY 2XGAT 6,3X16 SP1/4 (100)
Article number 61596063016
Article in the following categories
Article number 61596063016
EAN-number 4043377129376




